SFIL


SFIL Team

Publications

Selected Presentations

Links

 

 

 

 

 

 

 

 

 

 

 

 

 

 

 

 

 

 

 

 

 

 

 

 

 

 

 

 

 

SFIL Surface Treatment Machine

This system was designed and built by Todd Bailey, and was constructed that allows repeatable deposition of a thin fluorocarbon film on SFIL imprint templates. This film serves as a release-enhancing layer, and promotes selective release of the template from the cured etch barrier following imprinting. The system was designed around the following reaction sequence:

  1. Load template that has been cleaned in acetone and with UV/ozone into chamber

  2. Cycle-purge chamber to remove water/airborne contaminants in bulk phase

  3. Bake template to desorb water

  4. Dose a controlled amount of water on template surface

  5. Flow fluoroalkyltrichlorosilane precursor through chamber for prescribed time at prescribed temperature

  6. Anneal film to enhance HCl desorption and surface/network bond formation

This reaction sequence is a compilation of suggestions from the literature and experience from experiments by this group, and seems to be the best known sequence for depositing this type of film from the gas phase.

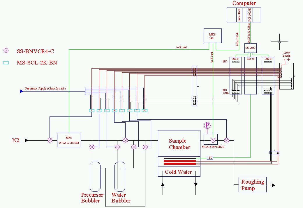
The chamber was custom-milled from 316 SS, and was designed to be only large enough to allow 1-in by 1-in SFIL templates, thus possessing a relatively small volume. This small volume allows for fast concentration ramp when changing from purge to water to precursor, etc., and also for fast purge cycles, thereby maximizing throughput. The other major components are primarily off-the-shelf, and the schematic is shown in Figure 1.

 

Figure 1. Schematic for the SFIL surface treatment machine.

The system has a MKS 1479 mass flow controller and a MKS 640A pressure controller, both connected to a MKS Type 146 controller which communicates via a RS232 cable to the computer. All valves are SS-BNVCR4-C air actuated bellows valves and are actuated by MS-SOL-2K-BN solenoids (both Arthur Valve & Fitting); the solenoids are connected to a National Instruments (NI) ER-8 relay pod. Temperature control is maintained by flowing 1°C cooling fluid beneath the sample chamber, and providing heat through a pair of cartridge heaters using on/off control; the heaters are connected through a second ER-8 relay pod. An Omega type K thermocouple is connected to a NI CB-50 wiring block. The ER-8 pods and the CB-50 wiring block are connected to a NI SC-2051, which is connected to a NI PCI-6025E data acquisition card installed in the computer. This configuration allows completely automated process control through a LabVIEW interface from template load to template unload. The interface is shown in Figure 2. 

 

a) b)

Figure 2. (a) Photograph of SFIL surface treatment machine, and (b) its LabVIEW interface.



© 2003 Willson Research GroupUniversity of Texas at Austin
Last updated Thursday, March 20, 2003
 Site design by Arrion Smith    SFIL content by Todd Bailey
WEL 5.240, 512.471.3975